Hồ cá Koi Nhật sau một thời gian sử dụng sẽ xảy ra tình trạng bị vẩn đục, bụi bẩn, rêu tảo. Nguyên nhân có thể xuất phát từ việc thiết kế hồ sai quy cách, hệ thống lọc có vấn đề hoặc do vệ sinh hồ cá không đúng cách. Nếu tình trạng này kéo dài thì làm cá dễ bị nhiễm bệnh và có thể tử vong.


Nguyên nhân hồ cá koi bị đục
– Thiết kế sai quy cách
– Thiết lập hệ thống lọc không đủ công suất
– Thậm chí là do vệ sinh hồ cá không đúng cách, không sạch.
– Hay việc bạn cho Koi ăn quá nhiều và thức ăn thừa sẽ là nguyên nhân gây đục nước.
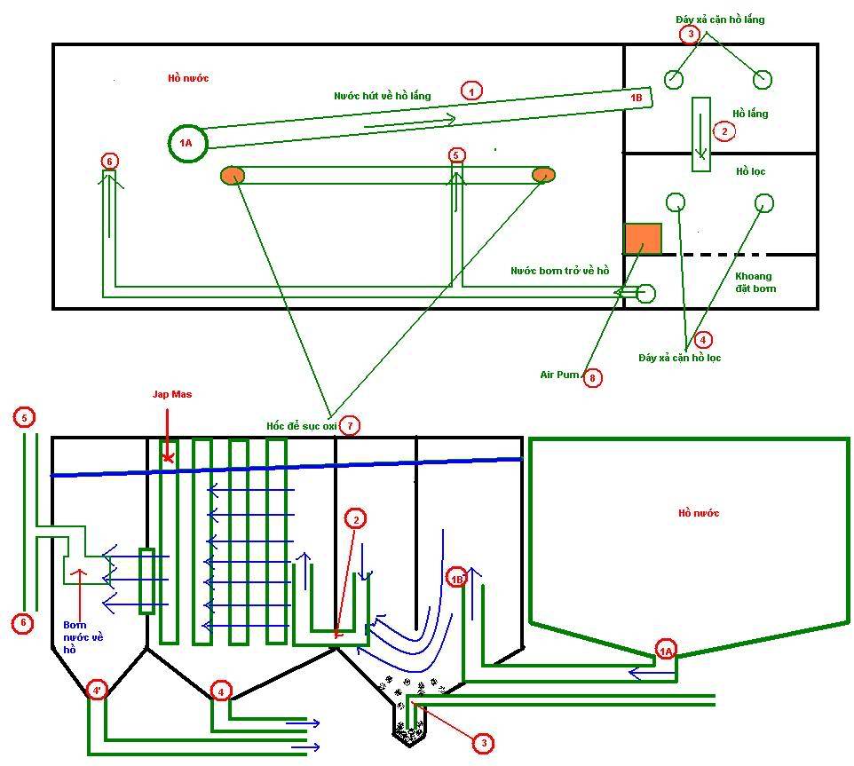
hệ thống lọc hồ cá koi mà nonbo.net.vn áp dụng
Hướng khắc phục khi hồ cá koi bị đục
Để tìm ra hướng khắc phục hồ cá koi bị dục một cách tốt nhất, thì trước tiên chúng ta nên tìm hiểu các tiêu chuẩn của hệ thống lọc trong hồ cá koi như thế nào để đáp ứng một cách tốt nhất, vì nó là một trong những nguyên nhân dẫn đến hồ cá koi của chúng ta bị vẩn đục.
Hồ cá Koi cần đáp ứng đủ các yếu tố sau đây:
+ Hút : Phải bao gồm hút đáy và hút bề mặt.
+ Lọc hồ : Phải bao gồm đầy đủ lọc thô và lọc tinh.
+ Hệ thống đẩy : Đầy bên ngoài và bên trong hồ.
+ Hệ thống xả : Phải bao gồm xã căn hộ cá và xả trong lọc hồ.
+ Tràn : Bao gồm việc hạn chế tràn hồ cá và tràn hồ lọc.

Nếu một bộ phận của hệ lọc bị sai kỹ thuật thì bạn nên khắc phục nhanh chóng. Để đảm bảo cho những chú Koi yêu của bạn được phát triển một cách bình thường.
Nếu hồ koi đục do vệ sinh hồ cá Koi không đúng cách. Bạn nên tiến hành kiểm tra lại. Bạn có thể nhờ tới sự trợ giúp của các đơn vị chăm sóc hồ cá Koi uy tín.
Nếu hồ cá bị đục do nguồn thức ăn thừa của cá bạn nên cho cá ăn ít lại. Lưu ý cho cá ăn 3% trọng lượng của cá, chia làm nhiều bữa, nếu bạn quá bận thì bạn nên cho Koi ăn vào ban sáng và tối.
Những công việc cần làm khi vệ sinh hồ cá Koi:
Khi vệ sinh hồ cá Koi, bạn cần vệ sinh đồng bộ để tránh lây nhiễm từ yếu tố này sang yếu tố khác:
+ Vệ sinh nguồn nước: cần thay nước hồ cá Koi định kỳ, đúng cách để loại bỏ các nguồn vi sinh vật có hại theo dòng nước đi vào.
+ Vệ sinh bộ lọc, xả nước: những dụng cụ này có mặt trực tiếp trong môi trường sống của cá Koi. Bạn nên vệ sinh sạch sẽ để loại bỏ các nguồn vi khuẩn có hại.
+ Vệ sinh chất thải, nguồn thức ăn thừa: nước hồ cá Koi sẽ trở nên đục và nhiều vi khuẩn hơn khi có nhiều chất thải của cá và từ nguồn thức ăn thừa. Để lâu, nguồn chất thải, cặn bã này sẽ là yếu tố trực tiếp sản sinh ra vi khuẩn gây hại cho cá. Bạn nên cho cá ăn hợp lý và vệ sinh môi trường nước.
+ Vệ sinh tường, đáy bể cá: đây là nơi xuất hiện của các loại rêu, tảo có hại cho cá. Bạn nên định kỳ vệ sinh để hồ cá Koi được cải tạo và có môi trường sống tốt nhất.
Lưu ý khi vệ sinh hồ cá Koi bạn cần đưa cá sang một môi trường mới, tránh vệ sinh trực tiếp làm ảnh hưởng đến cá. Trong trường hợp thay nước thì không nên thay quá 50% nước trong hồ để cá không bị sốc với môi trường.
Vườn Xinh ngoài cung cấp dịch vụ thiết kế – thi công hồ cá Koi chuyên nghiệp còn có dịch vụ bảo trì, vệ sinh hồ cá chuyên nghiệp. Giúp hồ cá của gia đình bạn luôn sạch đẹp, bảo vệ sức khỏe của đàn cá.
- Điện thoại liên hệ : 0978.448.123
- Website: https://551.congtyannhien.com
- Email : [email protected]
- Địa chỉ: TT11 – 02, KĐT Văn Phú, Hà Nội


BÀI VIẾT LIÊN QUAN
Thiết kế thi công đài phun nước đẹp được lựa chọn năm 2023
Chia Sẻ Chi Tiết Kinh Nghiệm Về Cách Nuôi Cá Koi Trong Bể Kính
Vị trí đặt hồ cá Koi hợp phong thủy với gia chủ mỗi gia đình
Làm thế nào để thiết kế hồ cá koi chuẩn đẹp?
Những mẫu hồ cá koi phong thủy, đẹp, đúng tiêu chuẩn là gì?
Mẫu hồ cá koi mini đẹp
Tổng hợp những mẫu hồ cá koi đẹp nhất hiện nay
Thiết kế hồ cá koi đẹp và chuẩn